Задний бампер
Основным различием заднего бампера является то, что крепления скрывают резиновые уплотнители. Для его снятия надо открыть багажник и снять обивку.
Пошаговая инструкция демонтажа
Снятие тыльного буфера проводится по следующей схеме:
- После открытия багажника, отверткой проводится демонтаж креплений резинового пола.
- При помощи крестообразной отвертки вынимается вся обивка багажника, изготовленная из пластика. Выкрутив саморезы, надо снять чехол и вынуть запаску.
Снимаем декоративную обшивку багажника
- Доступ к левому кронштейну открыт и необходимо отвинтить его. Для этого нужно снять накладку бака топливного, ослабив хомуты, сдвинуть его в сторону, настолько чтобы можно было дотянуться до кронштейна.
- Открутить крепления и снять центральные кронштейны.
Отворачиваем болты креплений и снимаем бампер с автомобиля
- Далее аккуратно нужно вынуть буфер, для чего, не прилагая особых усилий надо потянуть его на себя настолько, чтобы трубы окончательно вышли из корпуса.
Как поставить бампер обратно
Как и в случае с фасадным буфером для установки на место заднего бампера, аналогичные действия проводятся в обратной последовательности. До этого надо внимательно осмотреть целостность резиновых уплотнителей. При их изношенности необходимо заменить.
Особенности ремонта сломанных креплений
Если продолжать эксплуатацию автомобиля невозможно, следует приобрести новые крепежные материалы, либо отремонтировать старые детали.
Крепления передних бамперов отличаются своей надежностью. Однако эти фиксаторы также требуют периодического восстановления. Можно выполнить ремонт крепежа бампера своими руками. Для этого вырезают небольшую прямоугольную пластину из листа крепкого металла и подгоняют изделие под необходимые размеры. После этого отверстия под крепежные болты специалисты рекомендуют проделывать при помощи небольших сверл. В этих отверстиях будут располагаться болты.

Как правило, данный способ ремонта рекомендуется использовать исключительно в целях временного решения проблемы. В идеале необходимо приобрести новое изделие. Если без «колхоза» не обойтись, то необходимо сделать максимально надежный крепеж. Затем следует приступить к установке ушка для фиксации. Монтаж производится при помощи шурупов. После этого можно устанавливать заклепки.
Поиск новых крепежей по определенной модификации авто не всегда является эффективным решением. Иногда целесообразно подобрать идентичные крепления и полностью заменить дорогие фиксаторы. Это позволит значительно сэкономить на ремонте бамперов.
Необходимые инструменты, приспособления и материалы
Весь процесс ремонта крепления бампера состоит из нескольких основных этапов. Прежде всего, нужно подготовить инструменты, которые необходимы для починки крепления.

Перечень основных подручных инструментов всегда одинаковый:
- Ключи (зачастую крепежи бамперов можно открутить ключами на 13).
- Шестигранный ключ.
- Отвертка.
- Дрель.
- Сверла.
- Фонарик.
Помимо перечисленных приспособлений, нужно приобрести новый фиксатор, предварительно проверив его качество. На автомобильных рынках и в специализированных магазинах продаются готовые комплекты для каждой модели транспорта либо универсальные наборы. Они содержат крепления для переднего и заднего бамперов. Причем изделия могут быть совместимыми со многими другими модификациями одной марки.
Довольно часто сломанные запчасти склеивают между собой. Качественный клей поможет надежно склеить любую пластмассовую часть крепежа.
Последнее приспособление, которое необходимо – домкрат. Его использование не является обязательным, но механизм окажется незаменимым при самостоятельном ремонте машины.
Пошаговая инструкция технологии ремонта креплений бампера
Восстановление или полная замена крепежей производится только после снятия бамперов. Самое главное – выполнять демонтаж аккуратно, чтобы не повредить целые детали.

Процесс снятия кузовного элемента выполняется в соответствии со следующими шагами:
- Снимают радиаторную решетку (если это предусмотрено заводом изготовителем).
- Если в бампере располагаются специальные отверстия под буксировочный трос, нужно найти головки болтов при помощи небольшого шестигранника.
- Обязательно следует проверить бампер на предмет фиксации к аркам. Все соединения с прочими кузовными деталями нужно открутить.
- Одним умеренно резким движением необходимо оторвать бампер от одного крыла, а затем и от другого. Деталь может держаться на заклепках туго. Их необходимо аккуратно отжать до характерного щелчка.
- После этого снимают оптику.
- В редких случаях потребуется временное снятие колес.
- Как раз под фонарями производители располагают защелки бамперов, которые следует снять.
- Если повреждены не все крепежи – целые детали стоит также демонтировать. Для этого выкручивают из пластмассы специальные винты.
- Производят непосредственно ремонт фиксаторов.
Согласно пошаговой инструкции по технологии ремонта крепления бампера, починить изделия самостоятельно просто. Для этого потребуется лист металла и дрель. С их помощью можно изготовить элементы, практически идентичные оригинальным образцам. Основная задача заключается в соблюдении точных размеров и выборе прочного материала. Самостоятельно ремонт замятого ушка крепления выполняется за 20 минут.
Видео обзор ремонтных работ:
Преимущества и недостатки
Главный плюс для любого буфера, который необходимо отремонтировать, это возможность термической или иной инструментальной обработки материала.
У пластиковых бамперов низкая цена. Силиконовые модели эргономичны, они имеют меньшую жесткость и просто ремонтируются. Пластик с высокой степенью жесткости может потрескаться, его ремонт более сложный и дорогой. Поэтому лучше выбирать силиконовый материал, чем пластиковый.
Металлические силовые буферы отличаются надежностью. В основном такие детали устанавливаются на внедорожники или любителями экстремальной езды. Однако громоздкие обвесы не популярны и являются необоснованно тяжелыми для установки на легковое авто.
Что такое усилитель бампера и зачем он нужен
Под термином «усилитель бампера» чаще всего подразумевают массивную стальную балку или трубу, которые увеличивают возможность демпфирования бампером различных ударов. Во время удара на бампер воздействует огромная энергия, которая зависит от массы и скорости автомобиля, прочности препятствия и направления удара. Упругий пластиковый бампер играет роль демпфера (пружины, гасящей кинетическую энергию автомобиля) и разрушаясь, позволяет снизить скорость и, соответственно, энергию удара. Благодаря этому удар по кузову получается заметно слабей
Усилитель бампера позволяет эффективней гасить инерцию автомобиля и энергию удара, ведь его прочность заметно превосходит этот же параметр бампера. Сминаясь под действием кинетической энергии, усилитель гасит скорость движения автомобиля, в результате чего удар кузова о препятствие происходит с небольшой энергией и приводит к небольшим повреждениям. Если же прочность усилителя равна или превышает прочность кузова, что вместо помощи получается вред. Ведь кузов состоит не только из мощных силовых элементов. Поэтому при ударе о препятствие выступающие части кузова играют роль еще одного демпфера, который гасит скорость движения автомобиля и, соответственно, энергию удара. Это позволяет избежать повреждения несущих (силовых) элементов кузова.
Если усилитель бампера, прочность которого сопоставима с прочностью несущих элементов кузова, крепят к ним, то энергия удара не гасится во время повреждения выступающих частей, а приводит к повреждению несущих элементов и нарушению геометрии. Стоимость ремонта автомобиля после таких повреждений оказывается огромной. Нередко замена кузова оказывается дешевле, чем ремонт. Если же прочность усилителя уступает прочности кузова, тогда он эффективно гасит скорость движения автомобиля, снижая энергию удара и повреждения в 1,2 – 2 раза. Еще одна функция усилителя переднего бампера – защита радиатора. При сильном лобовом ударе велика вероятность повреждения радиатора, ведь пластиковый бампер не обладает необходимой прочностью.
Современные автомобили обладают массой свыше одной тонны, поэтому удар даже на скорости 20 километров в час представляет опасность для силовых элементов кузова. Из-за этого максимальная скорость, на которой усилитель бампера более-менее эффективен, не превышает 30 километров в час. При ударе на более высокой скорости никакого положительного эффекта усилитель не дает, а вот негативный эффект в виде нарушения геометрии кузова, вполне вероятен. Поэтому усилитель бампера ни в коей мере не является панацеей, которая защитит кузов от любых повреждений.
Типы и конструкция современных абсорберов
Как уже было сказано, абсорбер преобразует кинетическую энергию в энергию деформаций, чем и достигается минимизация последствий столкновения. При этом к абсорберу предъявляются довольно противоречивые требования: он должен хорошо противостоять ударам малой энергии, но деформироваться и поглощать энергию при более сильном столкновении. Эти требования удовлетворяются использованием специальных материалов и конструктивных решений.
В настоящее время используется три типа абсорберов:
– Цельные пенопластовые (из вспененного полистирола средней плотности);
– Цельнолитые пластиковые;
– Абсорберы с рассыпчатыми наполнителями (стеклянными шариками).
Наиболее просты и эффективны пенопластовые абсорберы, они сегодня находят самое широкое применение в автомобилях всех ценовых категорий. Данный материал прост в обработке, из него можно изготовить поглотитель энергии сколько угодно сложной формы. Пенопласт обладает достаточной жесткостью для того, чтобы не ломаться при слабых столкновениях, при этом он эластичен и «пружинит». Но при сильных ударах такой абсорбер ломается и выступает в качестве эффективного демпфера. Правда, пенопласт довольно хрупок, поэтому может сломаться и безо всякого ДТП.
Пластиковые абсорберы более долговечны и надежны, они имеют ячеистую структуру, за счет которой достигаются демпфирующие свойства. Пластик более устойчив к слабым ударам, поэтому такой поглотитель энергии не сломается от легкого наезда на препятствие или при поездке по плохой дороге.
Наиболее сложными и дорогими являются абсорберы с наполнителем. Обычно в качестве наполнителя используются стеклянные шарики, которые хорошо поглощают энергию удара. Такие абсорберы сегодня мало распространены, они применяются обычно на дорогих автомобилях.
Абсорберы всех типов имеют принципиально одинаковую конструкцию. Они изготавливаются в виде балки того или иного сечения (чаще всего швеллер или двутавр), имеет ребра жесткости, а также ряд монтажных и технологических отверстий. Поглотитель энергии жестко монтируется на усилитель бампера. Между облицовкой бампера и абсорбером обычно имеется небольшой зазор, обеспечивающий возможность деформации облицовки при слабых ударах.
Можно ли устанавливать силовой бампер на автомобиль
Согласно новому постановлению, современным водителям запрещается устанавливать силовой бампер на автомобиль. Если такая конструкция будет замечена дорожной полицией, на владельца машины налагается штраф. Однако не на все модели «кенгурятников» распространяется данный запрет. Под запретом следующие конструкции:
- размеры намного превышают параметры автомобильного бампера;
- элементы, которые фиксируются перед бампером;
- защита, сделанная непрочно и ненадежно, то есть самостоятельно.
Исходя из вышеописанного, стоит сказать, что если автомобильный бампер не превышает допустимых размеров и даже оборудован защитной дугой, то установку такого элемента можно производить. Штраф в таком случае не назначается. Также можно устанавливать и другие защитные элементы, на которых тоже не будет выписываться штраф, если их параметры не выступают за бампер.
Снятие и установка переднего бампера
Необходимые инструменты:
- отвертка или шуроповерт с крестом;
- рожковый либо накидной ключ 10 на 8;
- головка на 13 с воротом;
- в среднем замена переднего бампера занимает чуть больше часа. Для удобства в работе лучше загнать авто на яму или подъемник.
Последовательность работ:
- Открутить защиту передних колес, это 3 самореза от бампера отверткой.
- Отодвинуть защиту в сторону и освободить доступ внутрь бампера.
- Ключом на 10 отвернуть внутри бампера две гайки.
- Открутить в той же последовательности все с другой стороны авто.
Снять номерной знак, открутить два винта на 10 под ним и два винта в расположенных ниже окнах.
Передний бампер снят.
Если усилитель поврежден, его тоже можно заменить. Для этого:
- Открутить по 2 гайки на 13 головкой с каждой стороны.
- Оставить на шпильках регулировочные шайбы.
- Боковые кронштейны перекрутить со старого на новый бампер (3 винта с каждой стороны)
- Отрегулировать усилитель по высоте, установив зазор между ним и фарами и крылом. Это возможно благодаря сделанным прорезям.
Сборка конструкции производится в обратном порядке.
Электрооборудование
Детали автомобиля, которые обеспечивают работу мотора, запускают сигналы, участвуют во всех процессах, связанных с электроснабжением, входят в общий класс электрооборудования. Уже в базовых моделях система электрики отличалась сложностью. Главные элементы системы электрооборудования:
- Батарея аккумулятора (источник электропитания).
- Генератор. Преобразует механическую работу в электросигнал.
- Система зажигания.
- Автомобильная оптика, фары головного и дополнительного света, освещение салона и пр.
- Кондиционер, печка. Система обогрева зеркал, стекол и пр.
Электрооборудование обеспечивает работу ЭБУ, электронику роботизированной КП, сигналы датчиков на всех узлах.
Это краткий перечень главных элементов автомобиля, которые необходимо знать каждому автовладельцу. Понимание устройства кузова и входящих в него комплектующих, поможет определить область неисправности.
Источник
Назначение абсорбера бампера
Современные автомобили конструируются в соответствии с жесткими правилами безопасности, выработанными в буквальном смысле слова на крови. Согласно этим правилам конструкция транспортного средства должна быть такой, чтобы при столкновении поглощать энергию удара и минимизировать риски для водителя, пассажиров и пешеходов. Это достигается использованием компонентов, которые преобразуют кинетическую энергию в энергию деформаций, то есть — выступают в роли подушки, смягчающей удар и его последствия. Такими компонентами выступают как части кузова, так и специальные детали — передние и задние бамперы.
Уже давно бамперы перестали быть простыми железными балками, жестко установленными на кузове. Сегодня на легковых автомобилях, внедорожниках и многих микроавтобусах используются составные бамперы, которые в самом простом случае состоят из трех деталей:
– Жесткая стальная балка — усилитель бампера; – Абсорбер, или поглотитель энергии (название происходит от слова «абсорбция» — поглощение); – Пластиковая облицовка (собственно, ее мы и называем «бампером», некоторые производители называют ее накладкой бампера).
За безопасность в бампере отвечает абсорбер (поглотитель энергии) частично эту роль на себя берет и облицовка. Функция абсорбера проста: при ударе он деформируется или ломается (в зависимости от силы удара), в результате чего поглощает энергию и уменьшает негативные последствия. Причем абсорбер необходим не столько для безопасности автомобиля, сколько для пешехода — наличие данной детали многократно снижает вероятность переломов и серьезных травм ног.
Свойства абсорбера достигаются особенностями его конструкции и используемыми для его изготовления материалами. Рассмотрим этот вопрос более подробно.
Варианты конструкций
Вам стоит внимательно подумать над тем, что выбирать и устанавливать на свой автомобиль. Сегодня выпускается широкий ассортимент силовых обвесов, которые способны заменить стандартный стеклопластиковый бампер, не выдерживающий экстремальные нагрузки. К выбору фаркопов на Ниву подходят аналогично внимательно.

Автовладельцам предлагается купить несколько вариантов конструкций, которые имеют свои особенности. Примерно их можно описать так:
- устройства классического исполнения, где предусмотрена площадка под лебедку;
- конструкции с дополнительным местом для хай-джека;
- модели с буксировочной проушиной и держателями роликов;
- с упорами для использования домкрата;
- с кенгурятником и без него.
Если вы решили поставить себе силовой бампер на свою Ниву, обязательно учтите несколько моментов.
К наиболее значимым нюансам установки я бы отнес:
- Лебедка и возможность ее монтажа. Она будет незаменимой при попадании в грязевую ловушку. Лебедка позволяет без посторонней помощи выбраться из сложной ситуации;
- Хай-джек. Интересное устройство, также необходимое для выхода из тяжелых дорожных ситуаций. По принципу работы напоминает домкрат, поднимающий застрявшие в грязи колеса;
- Дополнительная оптика. Ее установка не всегда обязательная, но иногда оказывается полезной. Ярким примером являются противотуманные фары;
- Место для монтажа номерного знака.

Я не могу утверждать, что самостоятельная сборка предпочтительнее покупки заводского обвеса Но своими руками создавать усиленные бампера не так легко. Вам потребуются определенные навыки, точные чертежи, свободное время и качественные расходные материалы.
Покупка готовых конструкций обычно обходится дороже, зато они идеально подходят под Шеви Нива, не требуют длительных и сложных мероприятий по сборке и гарантируют надежность и привлекательный внешний вид внедорожника. В Москве и любом другом городе ассортимент обширный, да и не забывайте о возможности заказать деталь через Интернет. Выбор за вами.

Виды бамперов и материалы для их изготовления
Новый передний бампер, устанавливаемый на авто — это не только улучшение безопасности всех участников дорожного движения, но также изменение внешнего вида машины. Автолюбители самостоятельно или, пользуясь услугами СТО, могут установить буфер одной из перечисленных ниже видов.
Разновидности пластика из которого делают обвесы:
- Пластиковые. Эти интегрированные эластичные приспособления изготавливаются из цельнолитой пластиковой конструкции и устанавливаются на двух или более кронштейнах. Буферы из разных пластмасс отлично амортизируют, но чаще ломаются, чем металлические.
- Углепластиковые. Обвесы из углепластика являются редкостью и увидеть их можно в основном на дорогих суперкарах.
- Стеклопластиковые. Бампер из хорошего стеклопластика прекрасно выглядит, долго служит. Его можно изготовить самостоятельно при наличии некоторых навыков, необходимых инструментов и достаточного количества стеклоткани.
- Металлические. Считаются не очень современными и функциональными, особенно при установке без усиления. Сейчас металлические заводские буферы уже практически не делают.
- полипропилен, полиуретан.

Усилители увеличивают жесткость бампера, поэтому применяются как для металлических буферных изделий, так и для придания крепости пластиковым деталям.
На каждом обвесе, имеется маркировка, которая поможет понять из какого материала он произведен. Различают следующие виды бамперов:
- ABS (ABS/PC) — бутадиеновый акрилонитриловый стирол и его полимерные сплавы;
- PC — поликарбонат;
- PBT — терефлорат полибутилен;
- PP (PP/EPDM) — обычный и этилендиеновый полипропилен;
- PUR — полиуретан;
- PA — нейлон или полиамид;
- PVC — поливинилхлорид (ПВХ);
- GRP/SMC — стеклопластик, термореактивный пластик;
- PE — полиэтилен.

Обратная сторона медали
Множество владельцев авто, используя усилитель бампера заднего в особенности, в скором времени жалеют о том, что его установили. И есть на то причины. Первая и самая весомая причина — это больший вред при аварии, чем польза. Случается это потому, что при ударе металлический профиль не деформируется, сохраняя первоначальный свой вид (или мнётся, но не сильно), при этом повреждая кузов. При сильном столкновении прочный металл выгибается в сторону капота, при этом отремонтировать сам капот будет куда гораздо сложнее. Получается, что спасая бампер приходиться жертвовать целостностью самого авто. Соответственно, многие приходят к выводу нецелесообразности установки, и как говориться, если уж попал, так попал!
О том, какой вариант выбрать можно спорить до бесконечности, находя плюсы того или иного метода защиты капота.
Устройство бампера
Новые бамперы устроены следующим образом: к раме машины на специальные кронштейны крепится основная деталь; между ними располагается балка и дополнительный элемент жесткости в виде вставки ячеистой структуры, образуя энергопоглощающий элемент.


Крепежом для буфера безопасности могут служить кронштейны или другие спецдетали, предназначенные для фиксации приспособления. Не все из указанных выше составных частей присутствуют в каждом буфере автомобиля. Например, сетка устанавливается не всегда, облицовка бампера также может отсутствовать.
Передние и задние бамперы – необходимая часть автомобиля. Они имеют эстетические, аэродинамические свойства. Однако, важнейшая их функция – безопасности при езде, во время несильных столкновений автомобиля с другими авто или препятствиями.
8.1.2 Бамперы и их облицовка
Бамперы и их облицовка
Система бамперов сконструирована таким образом, чтобы автомобиль мог выдержать без повреждения столкновение со стационарным барьером при скорости 8 км/ч.
После поглощения энергии столкновения данная система восстанавливается в исходное положение.
Бамперы конструктивно состоят из двух элементов: поглотителя энергии удара и полимерной облицовки.
Бамперы могут сниматься и устанавливаться как узел, в сборе или поэлементно.
Передний и задний бамперы содержат внутренний пенный поглотитель энергии и полимерную облицовку. Для получения доступа к поглотителю энергии и бамперу необходимо снять облицовку. Передний бампер снимается как узел, в сборе или можно снимать облицовку бампера отдельно.
Облицовка переднего бампера
При снятых передних колесах:
1. Открутите винты, болты, гайки и извлеките грязезащитный щиток из ниши переднего колеса;

2. Снимите блок-фары, лампы повторителей указателей поворотов и передние противотуманные фары;

3. Открутите винты крепления ниш ко леса;
Снятие и установка переднего бампера


4. Снимите гайки с облицовки;
5. Снимите винты под облицовкой;
6. Снимите винты сверху облицовки;
7. Снимите облицовку переднего бампера.

Поглотитель энергии переднего бампера
8. При снятой облицовке переднего бампера открутите гайки крепления.
9. Снимите поглотитель энергии переднего бампера.
При установке затяните элементы крепления следующими моментами:
- — гайки крепления поглотителя энергии переднего бампера — 27 Нм;
- — винты, болты, гайки ниши переднего колеса и грязезащитного щитка -1,5Нм.
Установка
Установка производится в порядке, обратном снятию.
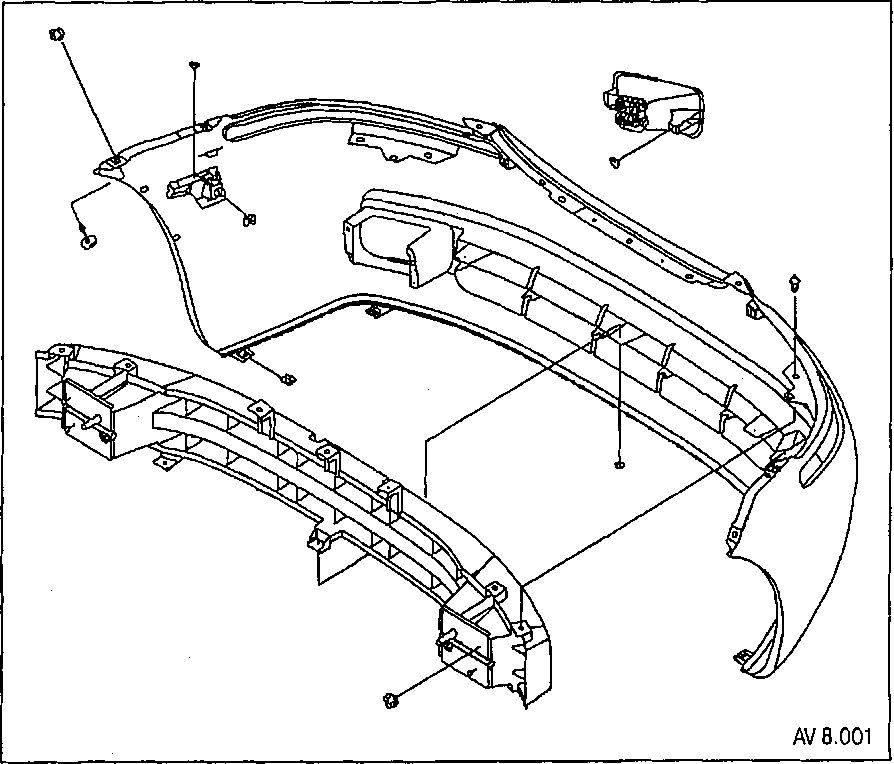
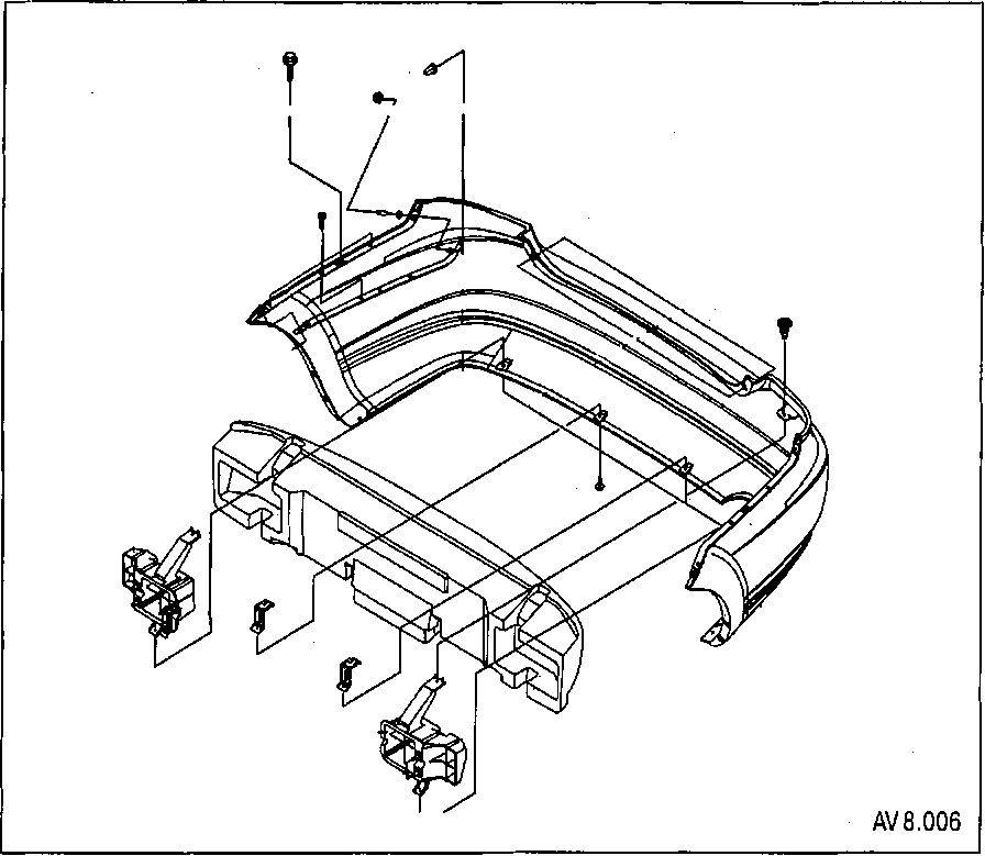
Снятие и установка заднего бампера

Снятие
1. Снимите задние колеса 2. Открутите винты крепления и снимите брызговик.
Открутите винты крепления и снимите грязезащитный щиток.

3. Открутите винты позади облицовки бампера.
4. Снимите гайки сзади поглотителя энергии бампера.

5. Снимите угловую заднюю отделку багажника.
6. Открутите винты крепления облицовки бампера в багажнике.

7. Снимите винты и наружную отделку под задними фонарями.
8. Снимите винты крепления облицовки под задними фонарями.

9. Снимите винты задней верхней облицовки.
10. Снимите поглотитель энергии.

11. Снимите облицовку бампера
Установка
Установка производится в порядке, обратном снятию.
При установке затяните элементы крепления следующими моментами:
- — гайки поглотителя энергии заднего бампера — 27 Нм;
- — винты крепления облицовки бампера -ЮНм;
- — винты крепления облицовки багажного отделения — 5,5 Нм;
- — винты крепления грязезащитных щитков и брызговиков -1,5 Нм.
Для чего нужен бампер
Передний бампер на авто нужен для защиты от последствий возможного лобового столкновения авто с другими физическими объектами. Например от поломки системы охлаждения двигателя. Кроме этого, сейчас подобные детали стали также использоваться для поднятия статуса авто, то есть для его украшения и аэродинамических характеристик. Помимо самой пластиковой защиты используют усилитель бампера, который делает декоративный буфер одним из действенных элементов безопасности.

Теперь разберемся зачем пластиковую защиту монтируют сзади автомобиля. Задний бампер необходим, как обеспечение против возможно удара сзади. Например, он поможет, когда сзади двигающийся автомобиль не успевает затормозить и «въезжает» в переднюю машину. Задний буфер смягчает удар, который ведет к порче багажа, образованию вмятин в кузове и даже к человеческим жертвам.

Классификация креплений
Бампер является первым защитным элементом кузова. Но он предохраняет конструкцию автомобиля только условно. Преимущественно производители устанавливают пластиковые детали. Они имеют небольшой вес, снимаются и возвращаются обратно просто и быстро. Есть один минус – пластмасса ломается при малейшем ударе. Единственное, что остается изготовителям – обеспечить надежную фиксацию детали.
Бампера могут устанавливаться самыми разнообразными способами. Как правило, крепление представляет собой отдельные элементы и специальные прорези для защелкивания в пазах. Пистоны крепления широко используются в автомобилях иностранных марок.
Кронштейны

Данный образец наиболее надежно фиксирует изделие на кузове машины. Каждый производитель делает кронштейны крепления бамперов по своему уникальному чертежу. Они имеют вид небольших деталей вытянутой формы. Отличительная характеристика изделий – прочность и долговечность. Элементы могут прослужить долгие годы, не выходя из строя даже в условиях некачественного дорожного покрытия. Однако они также страдают при ДТП.
Кронштейны используются производителями различных марок автомобилей уже давно. Наибольшее распространение этот тип крепежей получил в Европе, России и США.
Защелки
Стараясь минимизировать расходы на изготовление транспортных средств, компании перешли на более простой тип крепежа – защелки. Они выполнены из того же листа пластмассы, что и бампер. Принцип быстросъемного крепления заключается в том, что деталь благодаря наличию специальных прорезей вставляется в пазы.

Преимущества:
- Отсутствие необходимости соединения с бампером.
- При серьезных повреждениях меняется полностью вся конструкция.
- Монтаж и демонтаж производится за считанные минуты.
Недостатки:
- Хрупкость. Защелки фиксаторов могут расколоться при попадании одного или нескольких колес в большую яму.
- Со временем прорези в пластмассе изнашиваются и крепление ослабевает.
- Большая часть автомобилистов повреждает защелки при демонтаже.
При покупке подержанного авто следует обязательно обращать внимание на указанные части крепления бамперов. Если конструкцией машины предусмотрены именно защелки, то они с большой вероятностью уже несколько раз переделаны хозяином.
Саморезы
Самый простой и бюджетный вариант крепления. Он применяется преимущественно на автомобилях отечественного производства. Также используют шурупы для крепления бампера и на подержанных иномарках.

Метод позволяет решить проблему обрыва креплений быстро и надолго. Однако данный крепеж имеет огромный минус – он разрушает структуру бампера. Это касается не только самостоятельно вкрученных саморезов, но и заводских креплений. При эксплуатации транспорта в местах фиксации образуется люфт, который со временем увеличивается. Часто саморезы произвольно выкручиваются, поэтому владельцам приходится постоянно проверять затяжку крепежей.
Болты
Среди опытных водителей болт с гайкой считается наилучшим типом крепления бампера. Его эффективность заключается в простоте обслуживания. Данный тип крепления можно в любой момент раскрутить, снять бампер и монтировать его обратно.

Преимущество заключается еще и в том, что соединение надежно фиксирует бампер долгое время.
Среди недостатков следует отметить, что в некоторых моделях автомобилей трудно подобраться одновременно к болтам и к гайкам.
Рейтинг качественных усилителей для автомобильных бамперов
Asxlancer x
Относительно простое, но не менее надежное приспособление, которое производится именитым тайваньским концерном Asxlancer-x. Несмотря на более чем приемлемую стоимость, продукт прошел все необходимые тесты и испытания. Имеет сертификат качества, который соответствует всем необходимым европейским стандартам. В качестве защитного и декоративного покрытия используется высококачественная эмаль черного цвета собственного производства. Для фиксации понадобится несколько болтов. Применяется для увеличения коэффициента безопасности пассажиров в случае столкновения автотранспортного средства с любым препятствием.
Стоимость – 13000 руб.
Asxlancer x
Достоинства:
- сборка осуществляется на территории Тайваня;
- высокий уровень безопасности;
- наличие сертификата качества;
- соответствие европейским нормам и стандартам качества;
- прочность;
- практичность;
- долговечность;
- положительные отзывы;
- приемлемая цена.
Недостатки:
Polo V 6C1 2014-2020

Эта популярная модель производится таким именитым концерном, как Sailing. Сборка продукта осуществляется на территории Поднебесной, что никак не отразилось на показателе качества и надежности усилителя. Оригинальная деталь характеризуется высоким качеством сборки и низким коэффициентом износа. Товар соответствует всем нормам и требованиям безопасности европейского сообщества. Присвоен соответствующий сертификат качества. Конструкция размещается на передней части автотранспортного средства.
Стоимость – 12200 руб.
Polo V 6C1 2014-2020
Достоинства:
- гарантия от производителя – 1 год;
- высокая степень надежности;
- отличное соотношение цены и качества;
- практичность;
- безопасность;
- несколько точек фиксации.
Недостатки:
Caddy IV SAB SAJ SAA SAH 2015-2020

Эта популярная модель арматурного каркаса предназначена для обустройства и улучшения автомобилей марки Volkswagen. Монтаж осуществляется на переднюю часть автотранспортного средства. Несмотря на более чем доступную цену, конструкция пользуется спросом не только у обладателей авто этой марки. Продукт выпускается компанией Gordon. Сборка осуществляется на территории Тайваня. В качестве декоративного и защитного покрытия выступает черная краска. Монтаж конструкции не вызовет сложностей. Точек фиксации используется несколько.
Стоимость – 11400 руб.
Caddy IV SAB SAJ SAA SAH 2015-2020
Достоинства:
- повышенная устойчивость;
- качество сборки;
- практичность;
- универсальность;
- функциональность;
- гарантия от производителя;
- высокий уровень безопасности;
- износостойкость.
Недостатки:
Superb I 3U0807109A

Эта популярная конструкция от именитого бренда VAG заслуживает особого внимания со стороны отечественных потребителей. Ее монтаж осуществляется на переднюю часть автотранспортного средства. Представляет собой широкую и прочную дугообразную пластину, для крепления которой используется несколько специальных держателей. Отдельного внимания заслуживают места стыков, которые обработаны путем нанесения защитных сварочных швов. В качестве защитного и декоративного элемента используется черная матовая краска. Продукт прошел все необходимые испытания, и имеет соответствующий сертификат качества. Соответствует всем нормам и требованиям безопасности, предъявляемым европейским сообществом. Производителем допускается установка конструкции в любом месте с последующим сохранением гарантии.
Стоимость – 11200 руб.
Superb I 3U0807109A
Достоинства:
- гарантия от производителя;
- возможность установки на любом СТО;
- высокое качество сборки;
- безопасность;
- привлекательность внешнего вида;
- практичность;
- функциональность;
- несколько мест фиксации.
Недостатки:
Вывод
Выбрать новый задний бампер для своего автомобиля совсем несложно. Достаточно уточнить совместимость с транспортным средством и купить деталь по карману. Поскольку оригинальные кузовные детали стоят немало, водители часто берут тайские аналоги – они почти ничем не уступают оригиналам по качеству исполнения. Вариант с покупкой б/у запчасти можно смело назвать рабочим, если предварительно водитель изучил деталь на предмет сильного износа. Старый, сильно потрескавшийся бампер брать не стоит. Во-первых, они не гарантируют такой же защиты, как новые. Во-вторых, если такой бампер уже был окрашен, то восстановление геометрии и лакокрасочного покрытия будут стоить дорого. Категорически не советуем брать бамперы турецких фирм, поскольку они очень быстро изнашиваются и в случае столкновения с препятствием даже на небольшой скорости практически во всех случаях остаются непригодными к восстановлению.



































